Донские Радиолюбители
16+
главная
новости
статьи
частоты
репитеры
радиоклубы
форум
ссылки
литература
RK6LZQ
Статьи

Статьи : Радиоаппаратура / Радиостанции / Радиостанции носимые /

Alinco DJ-680

Добавлено пользователем UB6LXC 15.11.2025 в 08:00.
Содержание:
Описание
Особенности
Технические характеристики
Принадлежности
Настройка радиостанции
Управление
Фотогалерея
Программное обеспечение
Документация

Описание

Alinco DJ-680 — двухдиапазонный ЧМ портативный трансивер транковой связи SmarTrunk.
Станция обладает специально загрубленной чуствительностью приемника, так как предназначена для работы в качестве дуплексного транкового телефона.
Радиостанция Alinco DJ-680 выпускалась в период с 200Х по 200Х годы.

Особенности

  • Быстрый набор 100 номеров из памяти, автоматический повтор, вызов оператора и т.д.
  • Переключение в режим обычной портативной радиостанции
  • Подсветка ЖКИ дисплея и клавиатуры, автоматическое ее включение при вызове абонента
  • Настройка и программирование с помощью компьютера или без него
  • Функция клонирования

    Технические характеристики

    Основное
    Типрадиолюбительская UHF радиостанция
    Диапазон частотВерсии V
    TX: 155—174 МГц
    RX: 155—174 МГц, 450—470 МГц
    Версии G11, U11
    TX: 400—420 МГц
    RX: 400—420 МГц, 136—155 МГц
    Версии G12, U12
    TX: 400—420 МГц
    RX: 400—420 МГц, 155—174 МГц
    Стабильность частоты±10 ppm (Нет привязки к температуре)
    РежимTX: ЧМ
    RX: ЧМ
    Тип излучения16K0F3E
    Память каналов3 банка × 20 каналов (транковый режим)
    2 банка × 10 каналов (режим радиостанции)
    Ретрансляторный сдвиг / смещениемеждиапазонный дуплекс (программируется)
    Электропитание⎓6—7,5 В
    Рабочие температуры−20°C ~ +60°C
    Сопротивление антенны / разъем50 Ом / TNC
    Размеры (Ш×В×Г)57,5×140×30,5 мм
    Вес375 г
    Приёмник
    Система приёмникаСупергетеродин с двойным преобразованием
    1-я ПЧ: 45,1 МГц
    2-я ПЧ: 455 кГц
    Чувствительность0,5 мкВ (12 дБ SINAD)
    Избирательность по соседнему каналу-70 дБ (при 25 кГц)
    Выходная звуковая мощность / динамик200 мВт при 10% искажениях / 8 Ом (при электропитании ⎓7,5 В)
    Передатчик
    Выходная мощность РЧ сигнала2 Вт
    Система модуляцииПеременное реактивное сопротивление
    Максимальное отклонение ЧМ (заводская настройка)±5 кГц
    Побочные выбросыЛучше, чем -60 дБ
    Тип и сопротивление микрофонаконденсаторный, 2 кОм

    Принадлежности

    МодельНаименование по-английскиНаименование по-русски
    Charger adapterЗарядное устройство
    Belt clipЗажим на пояс (клипса)
    Soft vinyl carry caseЧехол для станции
    Battery case. Four LR6 / AA batteriesОтсек для батареек. Четыре батареи типа LR6 / AA
    EBP-41NBattery pack.Аккумулятор 6В, 1200мА·ч
    Аккумулятор сотового телефона Motorola Micro Digital Lite
    ST-865AL3SmarTrunk moduleМодуль SmarTrunk
    EJ-27DSmarTrunk moduleМодуль SmarTrunk
    EDC-70BChargerНастольное ЗУ
    EME-10KHeadset with boom microphoneГарнитура с оголовьем и микрофоном
    Rubber flex antennaРезиновая гибкая антенна


    ST-865AL3

    ST-865AL3

    ST-865AL3
    Версии Gxx и Uxx отличаются отсутсвием и наличием, соответственно, предустановленного модуля EJ-27D транковой связи SmarTrunk.

    Настройка радиостанции

    Программирование

    Алгоритм программирования Alinco DJ-680 следующий:
    Удерживая нажатыми кнопки
    2
    5
    8
    , включите радиостанцию кнопкой
    POWER
    . После чего, если был установлен пароль, радиостанция запросит его ввод. Если проверка пароля не включена, осуществляется вход в дилерский режим.
    Выбор пунктов меню осуществляется кнопками
    /
    , подтверждение или переход в вубранный пункт — кнопкой
    SEND
    , удаление значения — кнопкой
    CLEAR
    .

    Теперь необходимо распределить банки памяти.
    Для этого необходимо выбрать пункт "BANK", а затем выбирать его статус: "NONE", "SMP", "DUP" (Соответственно: отключен, симплексный (полудуплексный) или дуплексный).
    Банки 1, 2, 3 могут быть любыми (максимум 16 каналов в банке); банки 4 и 5 — только симплексными (по 10 каналов в банке).

    Далее можно программировать каналы.
    Для этого переходим к пункту "Ch", нажимаем кнопку
    SEND
    .
    Переходим к пункту "FREQ", нажимаем кнопку
    SEND
    . Если банк дуплексный, частоты приёма и передачи вводится отдельно. Если нужен репитерный сдвиг в симплексном банке, выставляем параметр "OFFSET". На двухметровом радиолюбительском диапазоне он равен "-0.600".
    Далее необходимо нажать кнопку
    STORE
    для записи частоты, и ещё раз для выхода в режим выбора каналов.
    Для выхода из пункта меню с сохранением осуществлённых изменений всегда необходимо нажимать кнопку
    STORE
    .
    При программировании каналов, если нужно, указываются параметры CTCSS, включается или выключается скремблер.

    Т.е.: BANK > 3(SMP) >
    SEND
    > Ch >
    SEND
    > 01(None) >
    SEND
    > FREQ >
    SEND
    > Rx Freq =
    1
    6
    0
    0
    0
    0
    >
    STORE
    >
    STORE

    В пункте меню "GENERAL" выставляются различные режимы радиостанции, такие как параметры DTMF и т.д.
    Для выхода из дилерского режима необходимо просто выключить станцию.

    Сброс пароля меню

    Меню настроек радиостанции может быть запоролен. Если пароль неизвестен, его можно сбросить. Для этогог необходимо:
    • закоротить между собой выводы 5, 6, 7, 8 процессора и включить станцию. Станция включается и через пару секунд на дисплее появится символ "Е".
    • после этого необходимо выключить станцию, раскоротить ранее закороченные выводы процессора.
    Теперь пароль сброшен.

    Управление

    Когда установлена транк-плата и станция находится в SD trunking mode, для перехода в режим трансивера нужно нажать: FUNC > TELEPHONE > TRANSCEIVER. После чего станция выдаст звуковой сигнал типа "бип" и на экране появится надпись CH00.

    Фотогалерея


    Программное обеспечение

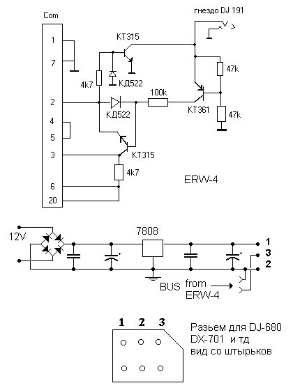
    Конечно же радиостанцию Alinco DJ-680 можно полностью запрограммировать с её собственной клавиатуры, но это займёт очень много времени. Гораздо проще это будет сделать с помощью специализированного программного обеспечения DJ680 для ОС MS DOS.
    Для подключения станции к компьютеру потребуется изготовить специальный кабель, подключаемый к COM-порту. Ниже приведена схема кабеля программирования радиостанции Alinco DJ-680.

    Документация

  • Руководство пользователя Alinco DJ-680 (английский)
  • Руководство дилера Alinco DJ-680 (английский)
  • Руководство по обслуживанию Alinco DJ-680 (английский)
  • Схемы электрические принципиальные Alinco DJ-680
  • Схемы электрические принципиальные Alinco DJ-680
  • → 10:23 MSK. Среда, 17 декабря 2025 г.
        Нашли ошибку? Сообщите вэбмастеру: wеbmаstеr@qrv.su.
    ◊  О проекте QRV.SU.
     Условия использования материалов сайта.
    © При перепечатке материалов ссылка обязательна.
    ® qrv.ru : 2005 — 2006
    ® qrv.su : 2008 — 2025
        Построено на mini.aCMS™.
    radionet
    web-ring: электроника, электронные компоненты и приборы Электроника, электронные компоненты и приборы Случайный Предыдущий Следующий Яндекс цитирования Коллективная радиостанция RK6LZQ радиоклуб Элита Каменск-Шахтинский Коллективная радиостанция RK6LWL радиоклуб Возрождение г. Донецк
    free counters